Электроника:Эксперименты/Таймерные схемы 555/КМОП-схема 555 проблескового прибора длительного действия на светодиодах обратного хода

Материал из Онлайн справочника
Версия от 10:32, 29 июня 2022; Valemak (обсуждение | вклад) (Новая страница: «{{Панель управления/Электроника}} {{Перевод от valemak}} {{Myagkij-редактор}} =КМОП-схема 555 проблескового прибора длительного действия на светодиодах обратного хода<ref>[https://www.allaboutcircuits.com/textbook/experiments/chpt-8/cmos-555-long-duration-flyback-led-flasher/ www.allaboutcircuits.com - CMOS 555 Long Duration Flyback LED Flas...»)
(разн.) ← Предыдущая версия | Текущая версия (разн.) | Следующая версия → (разн.)
Перейти к навигацииПерейти к поиску

Перевод: Макаров В. (valemak)
Проверка/Оформление/Редактирование: Мякишев Е.А.


КМОП-схема 555 проблескового прибора длительного действия на светодиодах обратного хода[1]

Оборудование и материалы

  • Две батарейки ААА
  • Зажим для батареи (каталог Radio Shack №270-398B)
  • U1, U2 – микросхема таймера CMOS TLC555 (каталог Radio Shack №276-1718 или аналог)
  • Q1 – 2N3906 PNP-транзистор, 15 шт. в упаковке (каталог Radio Shack №276-1604 или аналог)
  • Q2 – транзистор 2N2222 NPN, 15 шт. в упаковке (каталог Radio Shack №276-1617 или аналог)
  • D1 – красный светодиод (каталог Radio Shack №276-041 или аналог)
  • D2 – синий светодиод (каталог Radio Shack №276-311 или аналог)
  • R1 – резистор 1,5 Мом, ¼ Вт, 5%
  • R2 – резистор 47 кОм, ¼ Вт, 5%
  • R3, R5 – резистор 10 кОм, ¼ Вт, 5%
  • R4 – резистор 1 Мом, ¼ Вт, 5%
  • R6 – 100 кОм, ¼ Вт, 5%
  • R7 – резистор 1 кОм, ¼ Вт, 5%
  • C1 – танталовый конденсатор емкостью 1 мкФ (каталог Radio Shack №272-1025 или аналог)
  • C2 – керамический дисковый конденсатор 100 пФ (каталог Radio Shack №272-123)
  • C3 – электролитический конденсатор 100 мкФ (каталог Radio Shack №272-1028 или аналог)
  • L1 – индуктор или дроссель 200 мкГн (точное значение не критично, см. в конце главы)

Ссылки по теме

Цели эксперимента

Научиться …

  • … новому режиму работы для интегрального таймера 555
  • … обращаться с электростатическими деталями
  • … использовать транзистор для простого затвора (резисторно-транзисторный инвертор)
  • … преобразовыванию энергии с помощью обратного хода катушки индуктивности
  • … создавать индуктор

Схематическая диаграмма

Рис. 1. Схематическая диаграмма: проблесковый прибор длительного действия на светодиодах обратного хода.
Рис. 1. Схематическая диаграмма: проблесковый прибор длительного действия на светодиодах обратного хода.

Иллюстрации

Рис. 2. Иллюстрация: проблесковый прибор длительного действия на светодиодах обратного хода.
Рис. 2. Иллюстрация: проблесковый прибор длительного действия на светодиодах обратного хода.

Ход эксперимента

Осторожно!

В этом проекте используется чувствительная к статическому электричеству схема КМОП 555. Если вы не используете защиту (как описано в томе III «Полупроводники», глава 9 «Практические аналоговые полупроводниковые схемы», раздел «Электростатический разряд») то это может привести к её разрушению.

Этот конкретный эксперимент основан на другом эксперименте (том VI «Эксперименты», глава «Дискретные полупроводниковые схемы», раздел «Коммутирующий диод»). Прежде чем продолжить», стоит просмотреть тот раздел.

Это последний эксперимент из серии создания светодиодных «мигалок» с длительным сроком службы. Они показали, как использовать КМОП 555 для мерцающего светодиода и как повысить напряжение батарей, чтобы можно было использовать светодиод с бо́льшим падением напряжения, чем у батареи. Здесь мы делаем то же самое, но используем катушку индуктивности вместо конденсатора.

Основная концепция заимствована из другого изобретения, похитителя джоулей. Похититель джоулей – это простой генератор на транзисторах, который также использует индуктивная отдача, чтобы зажечь белый светодиод от батареи 1½ В. А ведь для того, чтобы светодиод начал проводить ток, требуется не менее 3,6 вольт! Как и в случае с похитителем джоулей, можно использовать 1½ вольта, чтобы заставить эту схему работать. Однако, поскольку КМОП 555 рассчитан на 2 вольта, минимум 1½ вольта не рекомендуется, но мы можем воспользоваться чрезвычайной эффективностью этой схемы. Если вы хотите узнать больше о похитителе джоулей, в Интернете можно найти много информации.

Эта схема также может управлять последовательностями из более чем 1-2 светодиода. По мере увеличения количества светодиодов способность батарей работать в течение длительного времени снижается, поскольку величина напряжения, которое может генерировать индуктор, в некоторой степени зависит от напряжения батареи. Для целей этого эксперимента использовались два разных светодиода, чтобы продемонстрировать его независимость от падения напряжения светодиода. Высокая интенсивность синего светодиода затмевает красный светодиод, но если приглядеться, то можно обнаружить, что как раз красный светодиод имеет максимальную яркость. Вы можете выбрать практически любой цвет светодиодов для этого эксперимента.

Как правило, необходимо устранить высокое напряжение, создаваемое индуктивной отдачей. Эта схема использует его, но, если вы ошибётесь с полярностью светодиодов, синий светодиод, который более чувствителен к электростатическому разряду, скорее всего, выйдет из строя (поверьте мне на слово). Неконтролируемый импульс от катушки напоминает электростатический разряд. Транзистор и TLC555 также могут быть в опасности.

Катушка индуктивности в этой схеме, вероятно, является наименее важной частью конструкции. Термин индуктивная катушка является обобщённым, вы также можете найти этот компонент, называемый индуктором, дросселем или просто катушкой. Соленоидная катушка также подойдёт, так как это тоже тип индуктора. Так же сгодится и катушка от реле. Из всех компонентов, которые я использовал, это, вероятно, наименее критичное. Действительно, катушки, вероятно, являются наиболее практичным компонентом, который вы можете сделать самостоятельно из существующих. Я ниже расскажу, как сделать катушку, которая будет работать в этой конструкции, но часть, показанная на иллюстрации, представляет собой дроссель на 200 мкГн, который я купил в местном магазине электроники.

Теоретическое обоснование

И конденсаторы, и катушки индуктивности накапливают энергию. Конденсаторы пытаются поддерживать постоянное напряжение, тогда как катушки индуктивности пытаются поддерживать постоянный ток. Оба сопротивляются изменению своего соответствующего аспекта. Это основа для трансформатора обратного хода, который является обычной схемой, используемой в старых схемах ЭЛТ и других устройствах, где требуется высокое напряжение с минимумом усилий. Когда вы заряжаете катушку, вокруг неё расширяется магнитное поле, в основном это электромагнит, а магнитное поле накапливает энергию. Когда ток прекращается, это магнитное поле разрушается, создавая электричество, когда поле пересекает провода в катушке.

В этой схеме используются два нестабильных мультивибратора. Первый мультивибратор управляет вторым. Оба рассчитаны на минимальный ток, как и инвертор, выполненный на Q1. Оба генератора очень похожи, первый был рассмотрен в предыдущих экспериментах этой главы. Проблема в том, что он остаётся включённым («высоким») в 97% случаев. В предыдущих схемах мы использовали «низкое» состояние для включения светодиода, в данном случае «высокое» – это то, что включает второй мультивибратор. Использование простого транзисторного инвертора, рассчитанного на сверхнизкий ток, решает эту проблему. На самом деле это очень старое семейство логики, РТЛ (сокращение от резисторно-транзисторной логики).

Второй мультивибратор колеблется на частоте 68,6 кГц с прямоугольной волной около 50%. В этой схеме используются точно такие же принципы, как и в эксперименте с минимальным количеством деталей. Опять же, самые большие практические резисторы используются для минимизации тока, а это означает действительно небольшой конденсатор для C2. Эта высокочастотная прямоугольная волна используется для включения и выключения Q2 в качестве простого переключателя.

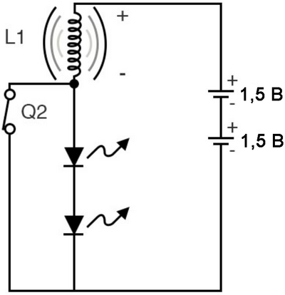
На рисунке 3 ниже показано, что происходит, когда Q2 находится в проводящем состоянии, и катушка начинает заряжаться. Если Q2 останется включённым, это приведёт к эффективному короткому замыканию батарей, но поскольку это часть генератора, этого не произойдёт. Прежде чем катушка достигнет максимального тока, Q2 переключается, и переключатель размыкается.

Рис. 3. Q2 переключается, переключатель размыкается.
Рис. 3. Q2 переключается, переключатель размыкается.

На рисунке 4 ниже показан Q2, когда он разомкнут и катушка заряжена. Катушка пытается поддерживать ток, но при отсутствии пути разряда она не может этого сделать. Если бы не было пути разряда, катушка создавала бы импульс высокого напряжения, стремясь поддерживать ток, протекающий через неё, и это напряжение было бы достаточно высоким. Однако у нас есть пара светодиодов на пути разряда, поэтому импульс катушек быстро переходит к падению напряжения объединённых светодиодов, а затем сбрасывает остаток своего заряда в виде тока. В результате не генерируется высокое напряжение, а происходит преобразование в напряжение, необходимое для зажигания светодиодов.

Рис. 4. Q2 разомкнут, катушка заряжена.
Рис. 4. Q2 разомкнут, катушка заряжена.

Светодиоды работают в импульсном режиме, а кривая интенсивности света довольно точно повторяет кривую разряда катушки. Однако человеческий глаз усредняет этот световой поток до того, что мы воспринимаем как непрерывный свет.

Оборудование и материалы (для создания катушки индуктивности)

  • 26 футов (≈ 8 метров) магнитного провода 26AWG (каталог Radio Shack №278-1345 или аналог)
  • Винт 6/32×1,5 дюйма, винт M4×30 мм или гвоздь аналогичного диаметра, обрезанный по размеру, из стали или железа (но не из нержавеющей стали).
  • Соответствующая стопорная гайка
  • Прозрачная лента (необходима при использовании винтов)
  • Суперклей
  • Паяльник и припой

Как уже упоминалось ранее, это не прецизионная деталь. Катушки индуктивности в целом могут иметь большую дисперсию для многих приложений, и конкретно это может быть сильно завышено. Цель здесь больше 220 мкГн.

Если вы используете винт, используйте один слой прозрачной ленты между резьбой и проволокой. Это делается для того, чтобы резьба винта не врезалась в провод и не закоротила катушку. Если вы используете стопорную гайку, наденьте её на винт на расстоянии 1 дюйм (≈ 25 мм) от головки винта. Начиная примерно в 1 дюйме от одного конца проволоки, используйте клей, чтобы прикрепить проволоку к шляпке гвоздя или винта, как показано на рисунке 5 ниже. Дайте клею схватиться.

Рис. 5. Используйте клей, чтобы прикрепить проволоку к шляпке гвоздя.
Рис. 5. Используйте клей, чтобы прикрепить проволоку к шляпке гвоздя.

Аккуратно и туго намотайте проволоку на 1 дюйм длины, снова прикрепив её суперклеем (рисунок 5 выше). Вы можете использовать дрель с переменной скоростью, чтобы помочь с этим, только действуйте осторожно. Как и любой электроприбор, дрель может вас «укусить». Крепко держите проволоку, пока клей не схватится, затем начинайте наматывать второй слой поверх первого. Продолжайте этот процесс, пока не будет использована вся проволока, кроме последнего дюйма, время от времени обрабатывая проволоку клеем. Расположите провод на последнем слое так, чтобы второй вывод катушки индуктивности находился на другом конце винта в стороне от первого. Прикрепите это в последний раз с помощью клея. Дайте полностью высохнуть.

Аккуратно возьмите острое лезвие и соскребите эмаль с каждого конца двух проводов. Лудим открытую медь с помощью паяльника и припоя, и теперь у вас есть действующий индуктор, который можно использовать в этом эксперименте.

Вот как выглядел тот индуктор, который я сделал сам:

Рис. 6. Самостоятельно сделанная катушка индуктивности для эксперимента.
Рис. 6. Самостоятельно сделанная катушка индуктивности для эксперимента.

Показанные соединения используются для измерения индуктивности, которая оказалась довольно близкой к 220 мкГн.

См.также

Внешние ссылки