Электроника:Переменный ток/Многофазные цепи переменного тока/Однофазные системы питания

Материал из Онлайн справочника
Перейти к навигацииПерейти к поиску

Перевод: Макаров В. (valemak)
Проверка/Оформление/Редактирование: Мякишев Е.А.


Однофазные системы питания[1]

Рис. 1. Принципиальная схема однофазной энергосистемы показывает только как именно друг к другу подключены элементы. Но при этом мало что говорит о самой разводке практической силовой цепи.
Рис. 1. Принципиальная схема однофазной энергосистемы показывает только как именно друг к другу подключены элементы. Но при этом мало что говорит о самой разводке практической силовой цепи.

На рисунке выше изображена простейшая цепь переменного тока. Если бы рассеиваемая мощность нагрузочного резистора была значительной, мы могли бы назвать это «схемой питания» или «системой питания», а не рассматривать как обычную цепь.

Различие между «силовой цепью» и «обычной цепью» может показаться несущественным, но с практической точки зрения это не так.

Практический анализ схем

Достаточно непросто оценить, какой длины проводка потребуется (и какова будет её стоимость), чтобы подать энергию от источника переменного тока к нагрузке. Обычно мы не особо задумываемся об этом, когда просто анализируем цепь, изучая законы электричества.

Однако при переходе от схемных абстракций в реальность это может стать серьезной проблемой. Если в приведённой выше схеме определить значение напряжения для источника питания, а также значения рассеиваемой мощности для двух нагрузочных резисторов, то можно определить сколько проводки потребуется для этой конкретной схемы:

Рис. 2. С практической точки зрения, понадобится значительное количество проводки для 20 кВт нагрузки при 120 В переменного тока. Такая проводка должна выдерживать силу тока почти в 167 А.
Рис. 2. С практической точки зрения, понадобится значительное количество проводки для 20 кВт нагрузки при 120 В переменного тока. Такая проводка должна выдерживать силу тока почти в 167 А.
Рис. 3. Сила тока, проходящего через каждый нагрузочный резистор, составит 83,33 А.
Рис. 3. Сила тока, проходящего через каждый нагрузочный резистор, составит 83,33 А.

83,33 ампера для каждого нагрузочного резистора на схеме выше в сумме дают 166,66 ампера полного тока цепи. Это немало, потребуются медные провода сечением не менее калибра 1/0.

Диаметр такой проволоки более 1/4 дюйма (6 мм). На тысячу футов вес составит более 300 фунтов (удельные 135 кг на каждые 300 метров). Учтите, что медь отнюдь не дешёвый металл! В наших интересах минимизировать затраты, если мы проектируем энергосистему, где понадобится много проводки.

Один из способов – увеличить напряжение источника питания и использовать нагрузки, рассчитанные на рассеивание 10 кВт каждая при этом более высоком напряжении.

Нагрузки, конечно, должны будут иметь более высокие значения сопротивления, чтобы рассеивать такую же мощность, что и раньше (по 10 кВт каждая) при более высоком напряжении.

Выигрыш состоит в сокращении потребления тока, тогда можно использовать провод, который будет тоньше, легче, дешевле:

Рис. 4. Для одинаковых нагрузок 10 кВт при 240 В переменного тока требуется менее прочная проводка, чем при 120 В переменного тока (в этом случае проводка должна выдерживать 83 А, а не 167 А).
Рис. 4. Для одинаковых нагрузок 10 кВт при 240 В переменного тока требуется менее прочная проводка, чем при 120 В переменного тока (в этом случае проводка должна выдерживать 83 А, а не 167 А).
Рис. 5. Общий ток цепи теперь составляет 83,33 ампер.
Рис. 5. Общий ток цепи теперь составляет 83,33 ампер.

Теперь общий ток нашей цепи составляет 83,33 ампера, это вдвое меньше, чем было раньше.

Теперь можно использовать более тонкую проволоку калибра 4, она весит меньше половины того, что проволока калибра 1/0 той же длины. Это значительная экономия без снижения производительности.

Поэтому разработчики систем распределения электроэнергии предпочитают передавать электроэнергию с использованием очень высоких напряжений (многие тысячи вольт): чтобы извлечь экономическую выгоду за счёт использования меньшего по диаметру, более лёгкого и более дешёвого провода.

Опасности повышения напряжения источника питания

Однако в этой бочке мёда есть огромное ведро дёгтя. Ещё одна практическая проблема с силовыми цепями – всегда есть опасность поражения электрическим током высокого напряжения.

Опять же, обычно при изучении теории электричества мы редко берём это во внимание. Но это очень серьёзная проблема в реальном мире, особенно когда приходится иметь дело с большими объёмами энергии.

Повышение эффективности, достигаемое за счёт увеличения напряжения в цепи, представляет для людей повышенную опасность поражения электрическим током.

Электрораспределительные компании решают эту проблему, протягивая свои линии электропередач вдоль высоких опор или башен и изолируя линии от несущих конструкций с помощью больших фарфоровых изоляторов.

В точке использования (там, где электроэнергия приходит непосредственно к потребителю) всё ещё остается вопрос, какое напряжение использовать для питания нагрузок.

Высокое напряжение обеспечивает бо́льшую эффективность системы за счёт уменьшения тока в проводнике, но в точке использования не всегда получается держать силовую проводку вне досягаемости, как это можно делать в распределительных системах.

Европейские проектировщики энергосистем компромисс между эффективностью и безопасностью сместили в сторону риска, поскольку в Европе все домохозяйства и бытовая техника работают при номинальном напряжении 240 вольт вместо 120 вольт, как в Северной Америке.

Вот почему американские туристы во время евротуров вынуждены возить с собой небольшие понижающие трансформаторы для своих портативных приборов, чтобы понижать мощность 240 В переменного до более подходящих 120 В переменного тока.

Решения для подачи напряжения потребителям

Понижающие трансформаторы в конечной точке энергопотребления

Есть ли способы совместить эффективность повышенного напряжения и пониженную угрозу безопасности?

Одно из решений: использование понижающих трансформаторов в конечной точке энергопотребления, как это делают американские туристы, находясь в Европе.

Однако это дорого и неудобно, за исключением очень малых нагрузок (тогда сойдут недорогие компактные трансформаторы) или очень больших нагрузок (тогда это экономически выгодно, ибо стоимость километров толстых медных проводов в энергосистемах на порядки превышает стоимость трансформаторов).

Две последовательные нагрузки низкого напряжения

Альтернативным решением было бы использование источника более высокого напряжения для обеспечения питания двух последовательно соединённых нагрузок с более низким напряжением. Этот подход сочетает в себе эффективность высоковольтной системы с безопасностью низковольтной системы:

Рис. 6. Последовательно подключённые нагрузки на 120 В переменного тока, управляемые источником 240 В переменного тока при общей силе тока 83,3 А.
Рис. 6. Последовательно подключённые нагрузки на 120 В переменного тока, управляемые источником 240 В переменного тока при общей силе тока 83,3 А.

Обратите внимание на обозначения полярности ((+) и (-)) для каждого показанного напряжения, а также на однонаправленные стрелки для тока.

По большей части я избегал обозначать «полярности» в цепях переменного тока, которые мы анализировали, даже несмотря на то, что с их помощью подобных можно обозначать систему отсчёта для фазы.

В следующих разделах фазовые отношения очень важны, поэтому я введу эти обозначения в начале главы для вашего ознакомления.

Сила тока, проходящего через каждую нагрузку, такая же, как и в простой 120-вольтовой цепи, но нельзя складывать токи, потому что тут нагрузки включены последовательно, а не параллельно.

Напряжение на каждой нагрузке составляет всего 120 вольт, а не 240, поэтому запас прочности выше. Имейте в виду, что на проводах системы питания полные 240 вольт, но каждая нагрузка работает с пониженным напряжением 120 В.

Так что, если кого-то ударит током, то более вероятно, что это произойдёт из-за контакта с проводниками конкретной нагрузки, а не из-за контакта с основными проводами энергосистемы.

Модификации конструкции с двумя последовательными нагрузками

У этой конструкции есть только один недостаток: будет нехорошо при отказе одной нагрузки (размыкание или же отключение, при условии, что каждая нагрузка имеет последовательный переключатель «Вкл./Выкл.» для управляемого прерывания тока).

Если это последовательная цепь, то если одна нагрузка разомкнётся, это обесточит и другую нагрузку. Поэтому стоит немного видоизменить конструкцию:

Рис. 7. Добавление нейтрального проводника позволяет управлять нагрузками индивидуально.
Рис. 7. Добавление нейтрального проводника позволяет управлять нагрузками индивидуально.
Рис. 8. Нахождение полной силы тока в цепи с нагрузочными резисторами.
Рис. 8. Нахождение полной силы тока в цепи с нагрузочными резисторами.

Двухфазная система питания

Теперь вместо одного 240-вольтового источника питания мы используем два 120-вольтовых источника (находящихся в фазе друг с другом!). Их последовательное соединение выдаёт 240 вольт. При этом подведён третий провод к точке соединения между обеими нагрузками, что страхует на случай возможного размыкания одной из нагрузок.

Это называется системой питания с расщеплённой (разделённой) фазой. Здесь три провода меньшего размера по-прежнему обойдутся дешевле, чем два провода большего размера, которые были бы необходимы для простой параллельной конструкции, так что по эффективности мы по-прежнему впереди.

Особо внимательные заметят, что нейтральный провод только передаёт разницу в токе между двумя нагрузками обратно к источнику.

В приведённом выше случае, при идеально «сбалансированных» (потребляющих одинаковое количество энергии) нагрузках, нейтральный провод пропускает нулевой ток.

Обратите внимание на то, что нейтральный провод подключён к заземлению со стороны источника питания. Это стандартная практика в энергосистемах, содержащих нейтральные провода, поскольку заземление нейтрального провода обеспечивает минимально возможное напряжение в любой момент времени между любым «горячим» проводом и заземлением.

Важным компонентом системы питания с расщеплённой фазой является двойной источник переменного напряжения. К счастью, спроектировать и построить его нетрудно.

Поскольку большинство систем переменного тока в любом случае получают питание от понижающего трансформатора (понижая напряжение с высоких уровней распределения до напряжения пользовательского уровня, такого как 120 или 240), этот трансформатор может быть построен с вторичной обмоткой с центральным отводом:

Рис. 9. Питание 120/240 В переменного тока в США поступает от сетевого трансформатора с центральным отводом.
Рис. 9. Питание 120/240 В переменного тока в США поступает от сетевого трансформатора с центральным отводом.

Если питание переменного тока поступает непосредственно от генератора (вырабатывающего переменный ток), катушки индуктивности аналогичным образом могут быть с центральным отводом, что даст тот же эффект.

Дополнительные расходы на включение центрального отвода в обмотку трансформатора или генератора минимальны.

Здесь действительно важны обозначения полярности (+) и (-). Это обозначение часто используется для обозначения фазировки нескольких источников переменного напряжения, поэтому ясно, помогают ли они друг другу («действуют сообща») или противостоят («компенсируют» друг друга).

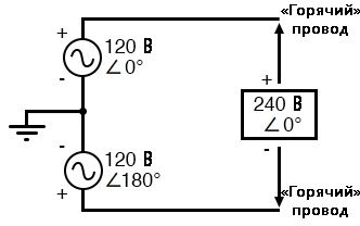
Если не маркировать полярность, фазовые отношения между несколькими источниками переменного тока могли бы быть очень запутанными. Обратите внимание, что источники с разделённой фазой на схеме (каждая часть на 120 В ± 0°) с отметками полярности (+) и (-), являются альтернативой последовательно подключённым батареям:

Рис. 10. Источник с разделением фаз 120/240 В переменного тока эквивалентен двум последовательным источникам переменного тока.
Рис. 10. Источник с разделением фаз 120/240 В переменного тока эквивалентен двум последовательным источникам переменного тока.

Чтобы математически рассчитать напряжение между «горячими» проводами, мы должны вычесть напряжения, потому что их отметки полярности показывают, что они противостоят друг другу:

Рис. 11. Напряжение в общей точке подключения двух источников питания.
Рис. 11. Напряжение в общей точке подключения двух источников питания.

Если мы пометим общую точку подключения двух источников питания (нейтральный провод) той же меткой полярности (-), их относительный фазовый сдвиг выражается как 180°. В противном случае мы бы обозначили два источника напряжения как имеющие полярности прямо противоположные друг другу, что давало бы 0 вольт при замере напряжения между двумя «горячими» проводниками.

Почему приходится тратить столько времени на уточнение отметок полярности и фазовых углов? В следующем разделе всё станет ясно!

Системы электропитания в американских домохозяйствах и лёгкой промышленности чаще всего имеют расщеплённую фазу, обеспечивая так называемое питание 120/240 В переменного тока. Термин «расщеплённая фаза» просто относится к источнику питания с разделением напряжения в подобной системе.

В более общем смысле этот тип источника питания переменного тока называется однофазным, потому что оба сигнала напряжения синфазны (синхронизированы друг с другом).

Термин «однофазный» противоположен другому типу энергосистемы, называемому «многофазный», который мы собираемся подробно изучить. Так что не серчайте, если кому моё введение (в виде вступительной темы этой главы) показалось чересчур длинным.

Преимущества многофазных систем питания становятся более очевидными, если сначала хорошо разобраться в однофазных системах.

Итог

  • Однофазные системы питания определяются наличием источника переменного тока только с одной формой волны напряжения.
  • Система питания с расщеплённой фазой является одним набором (синфазных) источников переменного напряжения, соединённых последовательно, обеспечивая питание нагрузки более чем одного напряжения, по более чем двум проводам. Такие системы используются в первую очередь, если нужно соблюсти баланс между эффективностью системы (низкие токи в проводниках) и безопасностью (низкие напряжения нагрузки).
  • Источники переменного тока с расщеплённой фазой легко создать, делая отводы от центра обмотки катушек трансформаторов или генераторов переменного тока.

См.также

Внешние ссылки