Электроника:Полупроводники/Диоды и выпрямители/Схемы выпрямителей

Материал из Онлайн справочника
Перейти к навигацииПерейти к поиску

Перевод: Макаров В. (valemak)
Проверка/Оформление/Редактирование: Мякишев Е.А.


Схемы выпрямителей[1]

Что такое выпрямление?

Мы подошли вплотную к самому популярному применению диода: выпрямлению. Если упрощённо, то выпрямление – это преобразование переменного тока (AC) в постоянный (DC). Для этого нужно такое устройство, которое допускает только односторонний поток электрического заряда. Но ведь именно это и делает полупроводниковый диод. Самый простой вид выпрямительной схемы – это однополупериодный выпрямитель. Он позволяет только половине сигнала (или только положительные полупериоды или только отрицательные) переменного тока проходить через нагрузку:

Рис. 1. Схема однополупериодного выпрямителя.

Полуволновое выпрямление

Для большинства силовых приложений однополупериодного выпрямления недостаточно. Гармонический состав выходного сигнала выпрямителя слишком велик, и, следовательно, его трудно фильтровать. Кроме того, источник питания переменного тока подаёт питание на нагрузку только половину времени всего цикла, что означает, что половина его мощности используется вхолостую. Однако полуволновое выпрямление – очень простой способ снизить мощность резистивной нагрузки. Некоторые диммеры (двухпозиционные переключатели яркости лампы) подают полную мощность переменного тока на нить накаливания лампы для «полной» яркости, или же полуволновое выпрямление, если требуется приглушённый свет:

Рис. 2. Применение однополупериодного выпрямителя: диммер.

В положении переключателя «Тускло» лампа накаливания получает примерно половину мощности, которую она обычно получает при работе от обоих полупериодов переменного тока. Поскольку полуволновая выпрямленная мощность пульсирует намного быстрее, чем нить накала успевает нагреться и остыть, лампа не мерцает. Вместо этого нить накаливания просто работает при более низкой температуре, чем обычно, при этом обеспечивая меньшую светоотдачу.

Этот принцип быстрой «пульсации» мощности на медленно реагирующее нагрузочное устройство для управления поданной на него электрической мощностью является обычным в мире промышленной электроники. Поскольку управляющее устройство (в данном случае диод) является либо полностью проводящим, либо полностью непроводящим в любой момент времени, оно рассеивает мало тепловой энергии при управлении мощностью нагрузки, что делает этот метод управления мощностью очень энергоэффективным. Возможно, такая схема самая «топорная» из возможных методов подачи импульсной мощности на нагрузку, но она себя отлично зарекомендовала.

Полноволновые выпрямители

Если нам необходимо выпрямить мощность переменного тока, чтобы полностью использовать оба полупериода синусоидальной волны, необходимо использовать другую конфигурацию схемы выпрямителя. Такая схема называется двухполупериодным выпрямителем. В одном из типов двухполупериодных выпрямителей, так называемой конструкции с центральным отводом, используется трансформатор с вторичной обмоткой с центральным отводом и двумя диодами, как показано на рисунке ниже.

Рис. 3. Двухполупериодный выпрямитель, конструкция с центральным отводом.

Положительный полупериод

Работу этой схемы легко понять, если прослеживать по одному полупериоду за раз. Рассмотрим первый полупериод, когда полярность напряжения источника положительная (+) вверху и отрицательная (-) внизу. В это время проводит только верхний диод; нижний диод блокирует ток, а нагрузка «видит» первую половину синусоидальной волны, положительную вверху и отрицательную внизу. Только верхняя половина вторичной обмотки трансформатора проводит ток в течение этого полупериода:

Рис. 4. Двухполупериодный выпрямитель с центральным отводом: верхняя половина вторичной обмотки проводит ток в течение положительного полупериода входного сигнала, направляя положительный полупериод на нагрузку.

Отрицательный полупериод

В течение следующего полупериода полярность переменного тока меняется на противоположную. Теперь другой диод и другая половина вторичной обмотки трансформатора пропускают ток, в то время как части схемы, которые ранее пропускали ток в течение предыдущего полупериода, остаются в режиме ожидания. Нагрузка по-прежнему «видит» половину синусоидальной волны той же полярности, что и раньше: положительная вверху и отрицательная внизу:

Рис. 5. Двухполупериодный выпрямитель с центральным отводом: во время отрицательного полупериода на входе нижняя половина вторичной обмотки проводит ток, передавая положительный полупериод на нагрузку.

Недостатки конструкции двухполупериодного выпрямителя

Одним из недостатков данной конструкции двухполупериодного выпрямителя – в необходимости трансформатора с вторичной обмоткой с центральным отводом. Если рассматриваемая схема является схемой большой мощности, подходящий трансформатор будет занимать много места и влетит в копеечку. Как следствие, выпрямитель с центральным отводом встречается только в приложениях с низким энергопотреблением.

Прочие конфигурации

Полярность двухполупериодного выпрямителя с центральным отводом на нагрузке может быть изменена на обратную путём изменения направления диодов. Кроме того, инвертированные диоды можно подключать параллельно к существующему выпрямителю с положительным выходом. Результатом будет двухполюсный двухполупериодный выпрямитель с центральным отводом. Обратите внимание, что подключения самих диодов такие же, как у моста:

Рис. 6. Двухполюсный двухполупериодный выпрямитель с центральным отводом.

Полноволновые мостовые выпрямители

Существует ещё одна, более популярная конструкция двухполупериодного выпрямителя на основе конфигурации четырехдиодного моста. По понятным причинам такая конструкция называется двухполупериодным мостом:

Рис. 7. Двухполупериодный мостовой выпрямитель.

Направления тока для двухполупериодной схемы мостового выпрямителя показаны на рисунке 8 ниже для положительного полупериода и на рисунке 9 ниже для отрицательного полупериода сигнала источника переменного тока. Обратите внимание, что независимо от полярности входа ток через нагрузку течёт в одном и том же направлении. То есть отрицательный полупериод источника является положительным полупериодом при нагрузке.

Ток протекает через два последовательно включённых диода для обеих полярностей. Таким образом, в диодах теряются два диодных падения напряжения источника (0,7 × 2 = 1,4 В для кремниевых диодов). Это недостаток по сравнению с двухполупериодной конструкцией с центральным отводом. Это является проблемой только для источников питания с очень низким напряжением.

Рис. 8. Двухполупериодный мостовой выпрямитель: ток для положительных полупериодов.
Рис. 9. Двухполупериодный мостовой выпрямитель: ток для отрицательных полупериодов.

Альтернативная принципиальная схема двухполупериодного мостового выпрямителя

Необходимость запоминать как правильно располагать диоды в двухполупериодной схеме мостового выпрямителя может наводить тоску на новичка в области электроники. Я обнаружил, что альтернативное представление этой схемы легче запомнить и понять. Это та же схема, только все диоды нарисованы горизонтально, и все они «указывают» в одном направлении:

Рис. 10. Альтернативная компоновка двухполупериодного мостового выпрямителя.

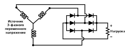
Полифазная версия с альтернативной компоновкой

Одним из преимуществ этой схемы мостового выпрямителя является то, что она легко расширяется до многофазной версии:

Рис. 11. Трёхфазная двухполупериодная мостовая схема выпрямителя.

Каждая трёхфазная линия подключается между парой диодов: один для подачи питания на положительную (+) сторону нагрузки, а другой для подачи питания на отрицательную (-) сторону нагрузки.

Многофазные системы с более чем тремя фазами легко встраиваются в схему мостового выпрямителя. Возьмём, к примеру, схему шестифазного мостового выпрямителя, показанную на рисунке ниже.

Рис. 12. Шестифазная двухполупериодная мостовая схема выпрямителя.

Когда многофазный переменный ток выпрямляется, сдвинутые по фазе импульсы накладываются друг на друга, создавая более «плавный» выход постоянного тока (с меньшим содержанием переменного тока), чем тот, который создаётся при выпрямлении однофазного переменного тока. Это явное преимущество в схемах выпрямителя большой мощности, где чисто физический размер фильтрующих компонентов был бы недопустимым, но при этом необходимо получать мощность постоянного тока с низким уровнем шума. Схема на рисунке ниже показывает двухполупериодное выпрямление трёхфазного переменного тока.

Рис. 13. Выход трёхфазного переменного тока и трёхфазного двухполупериодного выпрямителя.

Напряжение пульсаций

В любом варианте выпрямления – однофазного или многофазного – величина переменного напряжения, смешанного с выходным напряжением постоянного тока выпрямителя, называется напряжением пульсаций. В большинстве случаев, поскольку желаемой целью является «чистый» постоянный ток, пульсации напряжения нежелательны. Если уровни мощности не слишком велики, можно использовать сетевые фильтры для уменьшения пульсаций выходного напряжения.

1-импульсные, 2-импульсные и 6-пульсные устройства

Иногда метод выпрямления используется при подсчёте количества выходных «импульсов» постоянного тока на каждые 360° полного электрического «оборота». Таким образом, однофазная полуволновая выпрямительная схема будет называться одноимпульсным выпрямителем, потому что она выдаёт одиночный импульс в течение одного полного цикла (360°) волны переменного тока. Однофазный двухполупериодный выпрямитель (независимо от конструкции, будь то центральный отвод или мост) будет называться двухимпульсным выпрямителем, потому что он выдаёт два импульса постоянного тока в течение одного цикла переменного тока. Трёхфазный двухполупериодный выпрямитель называется 6-пульсным выпрямителем.

Фазы цепи выпрямителя

Современная электротехническая конвенция дополнительно описывает функцию схемы выпрямителя, используя трехпозиционную нотацию, в которую включены фазность, пути и количество импульсов. Таким образом однофазная однополупериодная схема выпрямителя получает несколько загадочное обозначение 1Ph1W1P (1 фаза, 1 путь, 1 импульс), что означает, что напряжение питания переменного тока однофазное, а ток на каждой фазе линий питания переменного тока движется только в одном направлении (по одному пути), и что на каждые 360° полного электрического «оборота» образуется один импульс постоянного тока.

Однофазный двухполупериодный мостовой выпрямитель будет обозначен как 1Ph2W2P: то же, что и для конструкции с центральным отводом, за исключением того, что ток может проходить через линии переменного тока в обоих направлениях, а не только в одном направлении.

Схема трёхфазного мостового выпрямителя, показанная ранее, будет называться выпрямителем 3Ph2W6P.

Можно ли получить в схеме выпрямителя больше импульсов, вдвое большее, чем количество фаз?

Ответ на этот вопрос – да: особенно в многофазных цепях. Благодаря творческому использованию трансформаторов, наборы двухполупериодных выпрямителей могут быть объединены таким образом, чтобы генерировать более шести импульсов постоянного тока для трёх фаз переменного тока. Фазовый сдвиг на 30° вводится от первичной к вторичному трёхфазному трансформатору, если там разнотипные конфигурации обмоток.

Другими словами, трансформатор, подключённый к Y-Δ или Δ-Y, будет демонстрировать этот сдвиг фазы на 30° , в то время как трансформатор, подключенный к YY или Δ-Δ, не будет. Это явление можно использовать, если один трансформатор, подключённый по схеме YY, питает мостовой выпрямитель, а другой трансформатор, подключенный по схеме Y-Δ, питает второй мостовой выпрямитель, а затем следуют параллельные выходы постоянного тока обоих выпрямителей.

Поскольку волны напряжения пульсаций на выходах двух выпрямителей сдвинуты по фазе на 30° друг от друга, их наложение приводит к меньшей пульсации, чем любой выход выпрямителя, рассматриваемый отдельно: 12 импульсов на 360° вместо шести:

Рис. 14. Схема многофазного выпрямителя: 3-фазный 2-полосный 12-импульсный (3Ph2W12P).

Итог

  • Выпрямление – это преобразование переменного тока (AC) в постоянный (DC).
  • Полуволновой выпрямитель – это схема, которая пропускает только один полупериод сигнала переменного напряжения, подаваемого на нагрузку, в результате чего на ней не чередуются полярности. Результирующий постоянный ток, подаваемый на нагрузку, значительно «пульсирует».
  • Двухполупериодный выпрямитель – это схема, которая преобразует оба полупериодов сигнала напряжения переменного тока в непрерывную серию импульсов напряжения одинаковой полярности. Результирующий постоянный ток, подаваемый на нагрузку, не так сильно «пульсирует».
  • Полифазный переменный ток при выпрямлении дает гораздо более «гладкую» волну постоянного тока (в ней меньше напряжения пульсаций), чем выпрямленный однофазный переменный ток.

См.также

Внешние ссылки