Электроника:Полупроводники/Операционные усилители/Модели операционных усилителей

Материал из Онлайн справочника
Перейти к навигацииПерейти к поиску

Перевод: Макаров В. (valemak)
Проверка/Оформление/Редактирование: Мякишев Е.А.


Модели операционных усилителей[1]

Хотя операционные усилители обычно ассоциируются с полупроводниковыми устройствами, построенными в виде интегральных схем на миниатюрном кремниевом кристалле, первые операционные усилители на самом деле были схемами на электронных лампах. Первый коммерческий операционный усилитель общего назначения был изготовлен компанией «George A. Philbrick Researches, Incorporated» в 1952 году. Обозначенный K2-W, он был построен на основе двух двухтриодных ламп, установленных в сборке с восьмеричным (8-контактным) разъёмом-розеткой для лёгкой установки и обслуживания в шинах электронного оборудования той эпохи. Сборка выглядела примерно так:

Рис. 1. K2-W, прадедушка современных операционных усилителей.
Рис. 1. K2-W, прадедушка современных операционных усилителей.

На принципиальной схеме показаны две лампы вместе с десятью резисторами и двумя конденсаторами, это довольно простая схема даже по стандартам 1952 года:

Рис. 2. K2-W, принципиальная схема.
Рис. 2. K2-W, принципиальная схема.

Как работают вакуумные трубки?

Если вы не знакомы с работой электронных ламп, то они работают аналогично N-канальным IGFET-транзисторам обеднённого типа: то есть они проводят больше тока, когда управляющая сетка (пунктирная линия на рисунке 2 выше) сделана более положительной по сравнению с катодом (изогнутая линия в нижней части символа трубки) и проводят меньше тока, когда управляющая сетка сделана менее положительной (или более отрицательной), чем катод. Сдвоенная триодная лампа слева работает как дифференциальная пара, преобразующая дифференциальные входы (инвертирующие и неинвертирующие входные сигналы напряжения) в один усиленный сигнал напряжения, который затем подаётся в управляющую сетку левого триода второй пары триодов через делитель напряжения (рабочий диапазон: 1–2,2 МОм). Этот триод усиливает и инвертирует выходной сигнал дифференциальной пары для большего усиления по напряжению, затем усиленный сигнал подаётся на второй триод той же двухтриодной лампы в неинвертирующей конфигурации усилителя для большего усиления по току. Две неоновые «светящиеся лампы» действуют как регуляторы напряжения, аналогично полупроводниковым стабилитронам, обеспечивая напряжение смещения в соединении между двумя несимметричными триодами усилителя.

При двойном напряжении питания ±300 вольт этот операционный усилитель мог подавать только выходное напряжение ±50 вольт, что очень слабенько по сегодняшним меркам. Он имел коэффициент усиления по напряжению без обратной связи от 15000 до 20000, скорость нарастания ±12 вольт/мксек, максимальный выходной ток 1 мА, потребляемую мощность в режиме покоя более 3 Вт (без учёта мощности нитей накала ламп!) и стоил около 24 долларов (в долларах 1952 года, нужно умножить в 8-9 раз, чтобы получить примерную цену на сегодняшний день с учётом инфляции). Лучшая производительность могла быть достигнута при использовании более сложной схемы, но только за счёт большего энергопотребления, большей стоимости и снижения надёжности.

Влияние твердотельных транзисторов на операционные усилители

С появлением твердотельных транзисторов стали возможны операционные усилители с гораздо меньшим энергопотреблением в режиме покоя и повышенной надёжностью, но многие другие параметры производительности остались примерно такими же. Возьмём, к примеру, модель P55A от Филбрика, твердотельный операционный усилитель общего назначения примерно 1966 года. P55A обладал коэффициентом усиления без обратной связи 40 тыс., скоростью нарастания напряжения 1,5 В/мкс и амплитудой выходного напряжения ±11 вольт (при напряжении источника питания ±15 вольт), максимальном выходном токе 2,2 мА и стоимости 49 долларов (или около 21 доллара для версии «служебного класса»). P55A, как и другие операционные усилители в линейке от Филбрика того времени, имел конструкцию с дискретными компонентами, входящие в его состав транзисторы, резисторы и конденсаторы были размещены в сплошном «кирпичике», напоминающем большой корпус интегральной схемы.

Создать примитивный операционный усилитель из дискретных компонентов не так уж и сложно. Вот одна из подобных схем:

Рис. 3. Простой операционный усилитель из дискретных компонентов.
Рис. 3. Простой операционный усилитель из дискретных компонентов.

Хотя по современным меркам его производительность довольно мала, он демонстрирует, что сложность необязательна при создании минимально функционирующего операционного усилителя. Транзисторы Q3 и Q4 образуют основу другой схемы дифференциальной пары, полупроводникового эквивалента первой триодной лампы в схеме K2-W. Как и в схеме с вакуумной трубкой, цель дифференциальной пары – усилить и преобразовать дифференциальное напряжение между двумя входными клеммами в несимметричное выходное напряжение.

Влияние технологии интегральных схем на конструкции операционных усилителей

С появлением технологии интегральных схем конструкции операционных усилителей резко повысили производительность, надёжность, плотность и экономичность. Между 1964 и 1968 годами корпорация «Fairchild» представила три модели операционных усилителей IC: 702, 709 и всё ещё популярный 741. Хотя 741 сейчас считается устаревшим с точки зрения производительности, он пока что остаётся фаворитом среди любителей за простоту и отказоустойчивость (например, присутствует защита от короткого замыкания на выходе). Личный опыт злоупотребления многими операционными усилителями 741 привёл меня к выводу, чтобы угробить этот чип – надо как следует постараться…

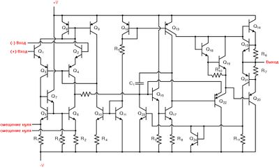
Внутренняя принципиальная схема операционного усилителя модели 741:

Рис. 4. Принципиальная схема операционного усилителя модели 741.
Рис. 4. Принципиальная схема операционного усилителя модели 741.

По стандартам интегральных схем 741 – очень простое устройство: пример маломасштабной интеграции или технологии SSI. Было бы непросто построить эту схему с использованием дискретных компонентов, поэтому вы можете оценить преимущества даже самой примитивной технологии интегральных схем по сравнению с дискретными компонентами, в которых задействовано большое количество деталей.

Сравнение рабочих характеристик некоторых операционных усилителей

Любителям, студентам или инженерам, желающим повысить производительность, доступны буквально сотни моделей операционных усилителей. Многие продаются менее чем за доллар за штуку, и это в розницу! Инструменты специального назначения и операционные усилители для радиочастот могут быть несколько дороже. В этом разделе я продемонстрирую несколько популярных и доступных операционных усилителей, сравнив их характеристики производительности. Достопочтенный 741 включён в качестве «эталона» для сравнения, хотя, как я уже говорил, он считается устаревшим.

Широко используемые операционные усилители:

Модель Устройство/
упаковка
(количество)
Источник
питания
(Вольт)
Пропускная
способность
(МГц)
Ток
смещения
(нА)
Скорость
нарастания
(В/мкСм)
Выходной
ток
(мА)
TL082 2 12/36 4 8 13 17
LM301A 1 10/36 1 250 0,5 25
LM318 1 10/40 15 500 70 20
LM324 4 3/32 1 45 0,25 20
LF353 2 12/36 4 8 13 20
LF356 1 10/36 5 8 12 25
LF411 1 10/36 4 20 15 25
741C 1 10/36 1 500 0,5 25
LM833 2 10/36 15 1050 7 40
LM1458 2 6/36 1 800 10 45
CA3130 1 5/16 15 0,05 10 20

В таблице перечислены лишь некоторые из бюджетных моделей операционных усилителей, широко доступных от поставщиков электроники. Большинство из них можно приобрести в магазинах розничной торговли, таких как «Radio Shack». Все они напрямую от производителя стоят ниже $1,00 (цены 2001 года). Как видите, производительность некоторых из этих устройств существенно различается. Возьмём, к примеру, параметр входного тока смещения: CA3130 получает приз за наименьшее значение 0,05 нА (или 50 пА), а LM833 имеет самое высокое значение, немного превышающее 1 мкА. Модель CA3130 обеспечивает невероятно низкий ток смещения за счёт использования полевых МОП-транзисторов во входном каскаде. Один производитель заявляет, что входное сопротивление 3130 составляет 1,5 тераом, или 1,5x1012 Ом! Другие операционные усилители, показанные здесь с низкими значениями тока смещения, используют входные транзисторы JFET, в то время как модели с высоким током смещения используют биполярные входные транзисторы.

В то время как 741 указан во многих схемах электронных проектов и показан во многих учебниках, его характеристики уже давно превзойдены по характеристикам по всем параметрам. Даже некоторые конструкции, изначально основанные на 741, были улучшены с течением времени и намного превзошли оригинальные технические характеристики. Одним из таких примеров является модель 1458, два операционных усилителя в 8-контактном DIP-корпусе, которая в своё время имела те же характеристики производительности, что и одиночный 741. В её последнем воплощении она может похвастаться более широким диапазоном напряжений источника питания, в 50 раз больше, и почти вдвое больше, чем у 741, при сохранении функции защиты от короткого замыкания на выходе, как у 741. Операционные усилители с входными транзисторами JFET и MOSFET заметно превосходят 741 по производительности с точки зрения тока смещения, и в целом им удаётся превзойти 741 с точки зрения пропускной способности и скорости нарастания напряжения.

Мои личные рекомендации для операционных усилителей таковы: когда низкий ток смещения является приоритетом (например, в схемах низкоскоростного интегратора), выбирайте 3130. Для работы с усилителем постоянного тока общего назначения 1458 предлагает хорошие характеристики (и вы получите два операционных усилителя в одном корпусе). Для повышения производительности выберите модель 353, поскольку это совместимая по выводам замена модели 1458. Модель 353 разработана с входной схемой JFET для очень низкого тока смещения и имеет полосу пропускания, в 4 раза превосходящую 1458, хотя её предел выходного тока ниже (но всё ещё защищён от короткого замыкания). Его может быть труднее найти на полке местного магазина электроники, но он продаётся так же по разумной цене, как и 1458.

Если требуется низкое напряжение источника питания, я рекомендую модель 324, так как она работает от 3 вольт постоянного тока. Его требования к входному току смещения также невысоки, и он обеспечивает четыре операционных усилителя в одной 14-контактной микросхеме. Его основной недостаток – скорость, ограниченная полосой пропускания 1 МГц, и скорость нарастания выходного сигнала всего 0,25 В/мкс. Для схем высокочастотного усилителя переменного тока 318 – очень хорошая модель «общего назначения».

Образцы операционных усилителей с высокой пропускной способностью и рассчитанные на высокие токи

Операционные усилители специального назначения доступны по умеренной цене, что обеспечивает лучшие рабочие характеристики. Многие из них предназначены для достижения определённого типа преимущества в производительности, например максимальной пропускной способности или минимального тока смещения. Возьмём, к примеру, вот эти два операционные усилители, оба рассчитаны на широкую полосу пропускания:

Операционные усилители с широкой полосой пропускания

Модель Устройство/
упаковка
(количество)
Источник
питания
(Вольт)
Пропускная
способность
(МГц)
Ток
смещения
(нА)
Скорость
нарастания
(В/мкСм)
Выходной
ток
(мА)
CLC404 1 10/14 232 44 000 2600 70
CLC425 1 5/14 1900 40 000 350 90

CLC404 стоит 21,80 доллара (почти столько же, сколько первый коммерческий операционный усилитель Джорджа Филбрика, хотя и без поправки на инфляцию), в то время как CLC425 подешевле будет – 3,23 доллара за единицу. В обоих случаях высокая скорость достигается за счёт высоких токов смещения и ограниченных диапазонов напряжений источника питания. Некоторые операционные усилители, рассчитанные на высокую выходную мощность, перечислены в таблице ниже.

Сильноточные операционные усилители

Модель Устройство/
упаковка
(количество)
Источник
питания
(Вольт)
Пропускная
способность
(МГц)
Ток
смещения
(нА)
Скорость
нарастания
(В/мкСм)
Выходной
ток
(мА)
LM12CL 1 15/80 0,7 1000 9 13 000
LM7171 1 5,5/36 200 12 000 4100 100

Именно так, LM12CL на самом деле имеет номинальный выходной ток 13 ампер (13000 миллиампер)! Его цена составляет 14,40 доллара, что не так уж много, учитывая чистую мощность устройства. LM7171, с другой стороны, привлекателен высокой выходной мощностью по току при высокой выходной мощности по напряжению (у него высокая скорость нарастания напряжения). Его цена составляет 1,19 доллара, то есть примерно столько же, сколько у некоторых операционных усилителей общего назначения.

Наборы усилителей также могут быть приобретены как полные прикладные схемы, а не как операционные усилители без корпуса. Например, корпорации «Burr-Brown» и «Analog Devices», давно известные своими линейками прецизионных усилителей, предлагают инструментальные усилители в заранее разработанных корпусах, а также другие специализированные усилители. В проектах, где важны высокая точность и заменяемость деталей при ремонте, разработчику схемы может быть выгодно выбрать такой предварительно спроектированный «блок» усилителя, а не строить схему из отдельных операционных усилителей. Конечно, эти устройства обычно стоят немного дороже, чем отдельные операционные усилители.

См.также

Внешние ссылки