Электроника:Полупроводники/Теория твердотельных приборов/Сверхпроводящие устройства

Материал из Онлайн справочника
Перейти к навигацииПерейти к поиску

Перевод: Макаров В. (valemak)
Проверка/Оформление/Редактирование: Мякишев Е.А.


Сверхпроводящие устройства[1]

Хотя сверхпроводящие устройства и не используются широко, они обладают кое-какими уникальными характеристиками, недоступными для стандартных полупроводниковых устройств. Это такие весьма ценные качества, как и высокая чувствительность относительно усиления электрических сигналов, и детектирование магнитных полей, и обнаружение света. Также сверхпроводимость даёт возможность высокоскоростной коммутации, хотя в современных компьютерах это пока не применяется. Обычные сверхпроводящие устройства должны быть охлаждены в пределах нескольких градусов от 0 Кельвина (-273°С). Однако в настоящее время разрабатываются устройства на основе высокотемпературных сверхпроводников, пригодных для использования при температуре 90°К и ниже. Это важно, поскольку для охлаждения позволяет использовать недорогой жидкий азот.

Сверхпроводящие устройства

Сверхпроводимость

Сверхпроводимость: Хайке Оннес открыл сверхпроводимость в ртути (Hg) в 1911 году, за что получил Нобелевскую премию. В основном, металлы уменьшают электрическое сопротивление при понижении температуры. Однако для большинства из них сопротивление не снижается до нуля при приближении к 0 градусам по Кельвину. Ртуть примечательно тем, что её сопротивление резко падает до нуля Ом при 4,2 К. Сверхпроводники резко теряют всё сопротивление при охлаждении ниже своей критической температуры, TС. Самое ценное свойство сверхпроводимости – отсутствие потерь мощности в проводниках. Ток может течь в сверхпроводящем контуре тысячи лет. К сверхпроводникам относятся свинец (Pb), алюминий (Al), олово (Sn) и ниобий (Nb).

Куперовская пара

Куперовская пара: проводимость без потерь в сверхпроводниках происходит не за счёт обычного электронного потока. Электронный поток в обычных проводниках встречает сопротивление, сталкиваясь с жёсткой ионной кристаллической решёткой металла. Минимизация колебаний кристаллической решётки с понижением температуры приводит к уменьшению сопротивления до определённого предела. Колебания решётки прекращаются при абсолютном нуле, но при этом не происходит рассеивания энергии от столкновений электронов с решёткой. Таким образом, обычные проводники не утрачивают всего сопротивления при абсолютном нуле.

Электроны в сверхпроводниках формируют пары электронов, т.н. куперовские пары, когда температура падает ниже критической температуры, при которой начинается сверхпроводимость. Куперовская пара существует благодаря тому, что она находится на более низком уровне энергии, чем неспаренные электроны. Электроны притягиваются друг к другу за счёт обмена фононами (частицами очень низкой энергии, связанные с вибрациями атомов). Эта куперовская пара, как квантово-механическая сущность (обладающая свойствами как частиц, так и волн) не подчиняется законам классической физики. Этот двойной объект проходит сквозь решётку, не сталкиваясь с ионами металлов, эту фиксированную решётку составляющими. Таким образом, не происходит рассеяния энергии. Квантово-механическая природа куперовской пары позволяет ей обмениваться только дискретными (а не непрерывно изменяющимися) порциями энергии. При обмене в куперовской паре хватает абсолютно минимального кванта энергии. Если колебательная энергия кристаллической решётки меньше (из-за низкой температуры), куперовская пара не может принять её, не происходит рассеяния энергии решёткой. Таким образом, при критической температуре куперовские пары беспрепятственно проходят через решётку.

Джозефсоновские переходы и транзисторы

Джозефсоновские переходы: Брайан Джозефсон получил Нобелевскую премию за то, что в 1962 году предсказал это явление, названное его именем. Джозефсоновский переход – это пара сверхпроводников, соединённых тонким диэлектриком, как показано на рисунке 1.а ниже, через который могут туннелировать электроны. Первые джозефсоновские переходы – это свинцовые сверхпроводники, соединенные диэлектриком. В наши дни используют трёхслойную конфигурацию с алюминием и ниобием. Электроны туннелируют сквозь диэлектрик даже при нулевом напряжении, приложенном к сверхпроводникам.

Если на переход подаётся напряжение, ток уменьшается и колеблется с высокой частотой, пропорциональной напряжению. Связь между приложенным напряжением и частотой настолько филигранно точна, что стандартный вольт сегодня определяется в терминах частоты колебаний джозефсоновского перехода. Джозефсоновский переход также может служить сверхчувствительным детектором магнитных полей низкого уровня. Он также очень чувствителен к электромагнитному излучению в пределах от микроволн до гамма-лучей.

Рис. 1. (а) джозефсоновский переход; (б) джозефсоновский транзистор.
Рис. 1. (а) джозефсоновский переход; (б) джозефсоновский транзистор.

Транзистор Джозефсона: это электрод, расположенный рядом с оксидом джозефсоновского перехода, который может влиять на переход посредством ёмкостной связи. Такая сборка, как на рисунке 1.б выше, это и есть транзистор Джозефсона. Главной особенностью транзистора Джозефсона является низкое рассеивание мощности, что применимо к схемам с высокой плотностью размещения (компьютерным, например). Этот транзистор обычно является частью более сложного сверхпроводящего устройства, такого как СКВИД или БОКЛ, о которых ниже по тексту.

Сверхпроводящий квантовый интерферометр (СКВИД)

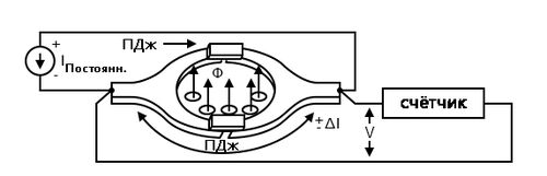
СКВИД: сверхпроводящий квантовый интерферометр или просто калька с английского СКВИД (от SQUID, т.е. Superconducting Quantum Interference Device) – это сборка переходов Джозефсона в сверхпроводящее кольцо. Сейчас мы рассматриваем только СКВИД, работающий на постоянном токе. Это устройство крайне чувствительно к магнитным полям низкого уровня.

Постоянный ток включения подаётся по кольцу параллельно обоим джозефсоновским переходам, показанным на рисунке 2 ниже. Ток равномерно делится между двумя переходами в отсутствие приложенного магнитного поля, и напряжение не возникает поперёк кольца. Хотя к СКВИДу можно применить любое значение магнитного потока (Φ), только квантованное значение (кратное квантам потока) может проходить через отверстие в сверхпроводящем кольце. Если приложенный поток не точно кратен количеству квантов потока, избыточный поток компенсируется циркулирующим током вокруг кольца, который производит дробную часть кванта потока. Циркулирующий ток будет течь в том направлении, которое нейтрализует любой избыточный поток, превышающий количество квантов потока. Он может либо добавлять, либо вычитать из приложенного потока до ±(½) квантов потока. Если циркулирующий ток течёт по часовой стрелке, ток добавляется к верхнему джозефсоновскому переходу и вычитается из нижнего. При линейном изменении приложенного магнитного потока циркулирующий ток изменяется по синусоиде. Это можно измерить как напряжение на СКВИДе. По мере увеличения приложенного магнитного поля импульс напряжения может быть подсчитан для каждого увеличения квантами потока.

Рис. 2. Сверхпроводящее устройство квантовой интерференции (СКВИД): пара джозефсоновских контактов в сверхпроводящем кольце. Изменение магнитного потока вызывает изменение напряжения на паре ПДж/ПДж.
Рис. 2. Сверхпроводящее устройство квантовой интерференции (СКВИД): пара джозефсоновских контактов в сверхпроводящем кольце. Изменение магнитного потока вызывает изменение напряжения на паре ПДж/ПДж.

Считается, что СКВИД чувствителен к магнитному потоку с индукцией всего в 10-14 Тесла. Он может обнаруживать магнитное поле нейронных токов в мозгу человека, имеющих индукцию всего 10-13 Тесла. Сравните это с силой магнитного поля Земли, равного 30×10-6 Тесла.

Быстрая одноквантовая логика (БОКЛ)

Быстрая одноквантовая логика (БОКЛ, или RSFQ от англ. Rapid Single Flux Quantum): вместо имитации кремниевых полупроводниковых схем, схемы БОКЛ опираются на новые концепции: квантование магнитного потока внутри сверхпроводника и движение квантов потока создают пикосекундный квантованный импульс напряжения. Магнитный поток может существовать только внутри секции сверхпроводника, квантованной в дискретных кратных величинах. Используются самые минимально возможные кванты потока. Импульсы коммутируют с помощью джозефсоновских переходов (вместо обычных транзисторов). В основе сверхпроводников лежит тройной слой алюминия и ниобия с критической температурой 9,5 К, охлаждаемый до 5 К.

БОКЛ работают на частоте более 100 ГГц с очень малым рассеиванием мощности. Производство условно простое с использованием существующих фотолитографических технологий. Хотя для работы требуется охлаждение до 5 К. Есть и реальные коммерческие приложения: аналого-цифровые и цифро-аналоговые преобразователи, триггеры, регистры сдвига, память, сумматоры и мультипликаторы.

Высокотемпературные сверхпроводники

Высокотемпературные сверхпроводники: Это соединения, демонстрирующие сверхпроводимость выше точки кипения жидкого азота 77 К. Это важно, поскольку жидкий азот легко доступен и бюджетен. Большинство обычных сверхпроводников – металлы; из высокотемпературных сверхпроводников широко применяются купраты (сложные соединения с оксидами меди), например YBa2Cu3O7-x, критическая температура TС = 90 K (впрочем, есть и другие). Большинство устройств, описанных в этом разделе, разрабатываются в версиях для высокотемпературных сверхпроводников для не столь критических приложений. Хотя они не обладают всеми свойствами традиционных металлических сверхпроводниковых устройств, для них доступно охлаждение недорогим жидким азотом.

Итог

  • Большинство металлов понижают внутреннее сопротивление по мере приближения к абсолютному нулю; однако сопротивление не падает до 0. Сверхпроводники быстро падают до нуля при их критической температуре охлаждения. Обычно TС находится в пределах 10 К вблизи абсолютного нуля.
  • Куперовская пара, пара электронов – квантово-механическое сущность, беспрепятственно движущаяся сквозь металлическую кристаллическую решётку.
  • Электроны туннелируют через джозефсоновский переход, являющийся изолирующей щелью между парой сверхпроводников.
  • Добавление третьего электрода или затвора рядом с переходом даёт транзистор Джозефсона.
  • СКВИД, сверхпроводящее устройство квантовой интерференции, является высокочувствительным детектором магнитных полей. Он считывает кванты магнитного поля внутри сверхпроводящего кольца.
  • БОКЛ – это высокоскоростное коммутирующее устройство, основанное на переключении магнитных квантов, существующих в сверхпроводящем контуре.
  • Высокотемпературные сверхпроводники, чьи TС выше точки кипения жидкого азота, также могут быть использованы для создания сверхпроводящих устройств.

См.также

Внешние ссылки