Электронный компонент:Плата Xadow IMU 9DOF
Плата Xadow IMU 9DOF[1]

Плата Xadow IMU 9DOF предназначена для определения положения в пространстве. Ее главный компонент – это IMU-устройство (сокр. от «inertial measurement unit», что значит «инерционное измерительное устройство») MPU-9150 с 9 степенями свободы, оснащенное 3-осевым акселерометром, 3-осевым гироскопом и 3-осевым магнитометром. Как пишут разработчики, это недорогое и высокопроизводительное устройство с низким энергопотреблением, подходящее для DIY-проектов по созданию мобильной (смартфонов, планшетов) и носимой электроники. MPU-9150 оснащен девятью АЦП – шестью 16-битными (для вывода цифровых данных с акселерометра и гироскопа) и тремя 13-битными (для вывода цифровых данных с магнитометра).
Купить плату Xadow IMU 9DOF можно по этой ссылке.
Характеристики
- Шина I2C
- Низкая цена
- Быстрый режим шины I2C (400 кГц) для коммуникации со всеми регистрами
- 3-осевой (X, Y, Z) цифровой датчик угловой скорости (гироскоп) с настраиваемым диапазоном измеряемых значений (±250, ±500, ±1000 и ±2000 °/сек)
- 3-осевой (X, Y, Z) цифровой акселерометр с настраиваемым диапазоном измеряемых значений (±2, ±4, ±8 и ±16 гал)
- 3-осевой магнитометр, основанный на эффекте Холла, с диапазоном измеряемых значений ±1200 мкТл (микротесла)
Описание и расположение некоторых компонентов

- 1 – 12-контактный FPC-порт
- 2 – R4, R5: Резисторные перемычки для переключения I2C-адреса (по умолчанию – 0x68)
- Если не спаяна перемычка R4, I2C-адресом будет 0x68
- Если не спаяна перемычка R5, I2C-адресом будет 0x69
Демо-проект: Считывание данных
Теперь давайте разберем простой проект, в котором будем считывать данные с акселерометра/гироскопа/магнитометра и отправлять их на монитор консольной программы. Выполните следующие действия:
- При помощи FPC-кабеля подключите плату Xadow IMU 9DOF к главной плате Xadow (имеется в виду плата Xadow Main Board; она не совместима с модулями Xadow версии 2 и RePhone). Для примера можно взглянуть на это фото – на нем к главной плате Xadow подключена не Xadow IMU 9DOF, а Xadow IMU 10DOF, но разница невелика. Также подключите главную плату Xadow к ПК.
- Загрузите ZIP-архив библиотеки «Grove IMU 9DOF». Распакуйте его, а затем переместите папку «libraries» из распакованного архива в папку «...Arduino\libraries» (в моем случае это «C:\Program Files (x86)\Arduino\libraries»).
- Переместите папку «IMU_9DOF_Demo_Compass_Calibrated» из распакованного архива в папку «...Arduino\libraries\MPU6050».
- Откройте скетч «IMU_9DOF_Demo_Compass_Calibrated», кликнув в IDE Arduino по Файл > Примеры > MPU6050 > IMU_9DOF_Demo_Compass_Calibrated (File > Examples > MPU6050 > IMU_9DOF_Demo_Compass_Calibrated).
- Загрузите этот скетч на главную плату Xadow.
- В IDE Arduino в меню Инструменты > Плата (Tools > Board) и Инструменты > Порт (Tools > Port) выберите правильные плату и COM-порт, к которому подключена главная плата Xadow.
- Откройте консольную программу (в данном случае используется SSCOM3.2). Там должно появиться примерно следующее:

В статичном состоянии значение оси Z будет составлять около 0.98 гал (g). По этому значению можно судить, правильно ли работает IMU-устройство.
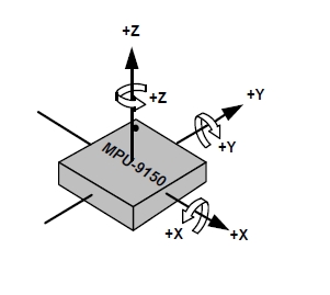
Расположение и направление вращения осей
Схема ниже демонстрирует расположение и направление вращения осей IMU-устройства MPU-9150, которым оснащена плата Xadow IMU 9DOF.

Полезные ссылки
- Схемы для платы Xadow IMU 9DOF в формате Eagle
- Схемы для платы Xadow IMU 9DOF в формате PDF
- Техническая документация для IMU-устройства MPU-9150